Однофазный асинхронный двигатель — маломощный механизм до 10 кВт. Однако благодаря своей компактности и особенностями действия, его использование очень большое.
Сфера применения: бытовые приборы с однофазным током. Однофазные асинхронные электродвигатели применяются для холодильников, центрифуг, стиральных машин. Часто используется для маломощных вентиляторов.
Приборы с одной фазой используются и в промышленности, но не так часто, как многофазные агрегаты.
Устройство и схема подключения АД


Устройство однофазного асинхронного двигателя
Интересно! Трехфазный асинхронный двигатель можно использовать для работы в однофазном режиме. Предварительно необходимо провести расчет.
У статора две электрообмотки. Одна из них рабочая, которая является основной. Вторая пусковая и нужна, чтобы осуществлять пуск устройства. Отличие однофазовых моторов — отсутствие момента впуска. Ротор напоминает беличью клетку по структуре.Ток одной фазы производит магнитное поле. Оно состоит из двух полей. Включая устройство, ротор двигателя неподвижен.


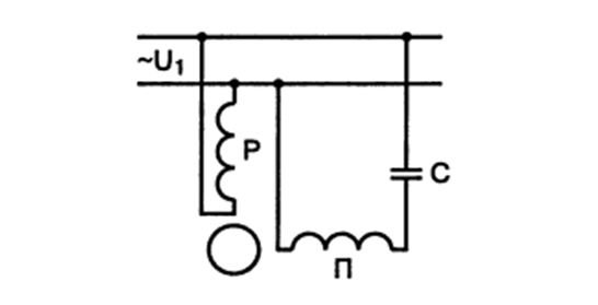
Схема подключения обмоток однофазного двигателя
Расчет результирующего момента при неподвижном роторе лежит в основе магнитных полей образующих два вращающихся момента.
Противоположные моменты обозначаются М.
n – частота вращения
Расчет:
Mn = M1 M2


Характеристики асинхронного однофазного двигателя
Если неподвижную часть задействовать, тогда наступит вращающий момент. Из-за его недоступности при запуске, двигатели оборудованы дополнительным пусковым устройством.
Отличие однофазных асинхронных двигателей от трёхфазных — особенности статора. Пазы имеютдвухфазовую обмотку. Одна будет основной или рабочей, а вторая именуется пусковой.
Магнитные оси находятся по отношению друг к другу на 90 градусов. Включенная рабочая фаза не вызывает вращение ротора по причине неподвижной оси магнитного поля.
Существуют специальные программы для расчета обмоток статора.
Типы однофазных моторов
Различают бифилярный и конденсаторный механизм.
- Бифилярный пуск
Бифилярная обмотка не используется при постоянном режиме. Иначе значение КПД снижается. Набирая обороты, она обрывается. Обмотка пуска включается на несколько секунд. Расчет работы по 3 секунды до 30 раз в 60 минут. Превышение запусков могут привести к перегреву витков.
- Конденсаторный пуск
Фаза расщепленная, цепь вспомогательной обмотки включается во время запуска. Для достижения пускового момента необходимо создать круговое магнитное поле. Использование конденсатора обеспечивает лучший пусковой момент. Двигатели с включенными конденсаторами в цепи являются конденсаторными. Работают на основе вращения поля магнитов. У конденсаторного устройства две катушки, которые всегда под напряжением.
Принцип работы
В основе принципа действия находится короткозамкнутый ротор. Магнитное поле представлено в виде двух кругов с противоположными последовательностями, то есть поля вращаются в разные стороны, но с одинаковой скоростью.Если ротор предварительно разогнать в нужную сторону, то он продолжит вращение в ту же сторону.


Поэтому запускают однофазный АД, нажав кнопку пуска. При этом вызывается возбуждение в статоре. Токи активируют магнитное поле вращаться, а в воздушном зазоре возникает магнитная индукция. За несколько секунд разгон ротора равняется номинальной скорости.
Отпуская кнопку впуска, двигатель переходит с режима двух фаз на одну фазу. Однофазовый режим поддерживается составляющей переменного поля магнитов, которая вращается быстрее ротора из-за скольжения.


Схема центробежного выключателя
Для улучшения работы однофазного АД встраивается центробежный выключатель и реле с размыкающими контактами.
Центробежный выключатель прерывает пуск статорной обмотки на автомате, если скорость ротора номинальная. А тепловое реле отключает двухфазную обмотку от сети при их перегреве.
Изменение направления роторного вращения получается при перемене направления тока в любой из фаз обмотки при запуске. Достигается это нажатием пусковой кнопки и перестановки двух или одной металлических пластин.
Чтобы образовался фазовый сдвиг необходимо добавить в цепь резистор, дроссель иди конденсатор. Все они являются фазозаменяющими элементами.
Во время запуска двигателя работает две фазы, а далее одна.
Преимущества:
- большая двигательная способность благодаря неимению коллектора,
- небольшой размер и масса,
- недорогая стоимость в сравнении с многофазными,
- питание от синусоидальной сети,
- простая конструкция из-за короткозамкнутого ротора.
Недостатки:
- отсутствие или малый пусковой момент, а также низкий коэффициент полезного действия,
- узкий диапазон регулировки частоты вращения.
Совет! Чтобы приобрести качественный однофазный мотор, выбирайте надежного производителя. Например, АИРЕ, Siemens, Emod. Проверяйте наличие документов.
Стоимость однофазного асинхронного двигателя зависит от его мощности. Средняя цена варьирует от 2,5 тысячи рублей до 9 тысяч.Приобрести однофазовые асинхронные двигатели можно в магазинах или в интернете.
При правильном расчете и принципе действия, однофазный асинхронный двигатель будет служить долго и эффективно.