На сегодняшний день трансформирующее устройство считается одним из наиболее необходимых устройств, которые используются в домашнем хозяйстве. В этой статье вы сможете узнать, где используется трансформатор тмг 25, 63.


Также в нашей статье мы предоставили вам информацию о габаритах, расшифровке и прочих характеристиках трансформатора тмг.
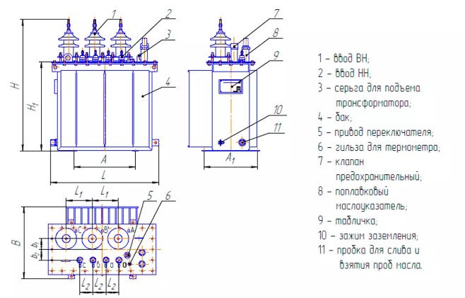
Трансформатор ТМГ и его технические характеристики
Силовой масляный трансформатор тмг отличается от других устройств. Он обладает стабильной работой и значительной пропускной мощностью. К основным параметрам этого устройства можно отнести:
- ГОСТ 11677-85.
- Номинальный ток составляет от 0.4-0.35 кВт.
- Мощность составляет от 4-20000 кВа.
- Здесь имеется соединение звезда.
- Холостой ход имеет потери до 15%.
- Вес устройства может составлять от 290 до 920 кг.
- Схема и группа обмоток У/Ун 0.
Это видео поможет более подробно разобраться с устройством силового трансформатора тмг. Теперь вам необходимо ознакомиться с их разнообразием. Если вам будет интересно, тогда можете прочесть про типы трансформаторов тока.
Конструкции и виды устройства
В конструкции этого трансформатора используется масло, которое предназначается для охлаждения устройства. Также с его помощью можно обеспечить изоляцию между внутренним напряжением. Трансформаторное масло обязательно должно иметь высокую температуру. Если необходимо значительно улучшить изоляцию, тогда можно использовать внешние радиаторы. Существует также мощный силовой трансформатор ТМГ 250, 400 или 630 (мощность устройства может составлять до 1000 Ква). Этот трансформатор имеет специальные вентиляторы и масляные насосы, которые отвечают за охлаждение.


Высоковольтный трехфазный трансформатор ТМГСУ во время работы он может подвергаться процессам сушки с помощью автономного отопления. Благодаря этому вы легко сможете предотвратить формирование коронки и разнообразные электрические пробои от высокой нагрузки.


Масляные трансформаторы высокого напряжения ТМГ 10 10 0 4 с контролем реле также могут иметь газовое реле. Эти защитные устройства также могут использоваться для обнаружения газа внутри трансформаторы. Для автоматического контроля работы реле трансформатора специалисты устанавливают автоматы, которые могут отвечать за отключение устройств при перенапряжении. Понижающий трансформатор может иметь внезапное реле, которое сможет отключить устройство при перегреве. В большинстве случаев вы сможете увидеть, что деталь является встроенной и устанавливается с использованием 3 проводков. При необходимости можете прочесть про тороидальный трансформатор.
Расшифровка трансформатора
ТМ-100/10-77У1 – это трансформатор, который имеет охлаждение масляного типа с двумя обмотками. Первоначальная мощность устройства может составлять 100 кВа. Использовать устройство можно на открытом пространстве или в хорошо вентилируемом помещении.
ТСЗ-100/10-75УЗ – это защищенный трансформатор сухого исполнения. Он отлично сможет противостоять разнообразным напряжениям. Установку можно выполнить в помещении и мощность устройства составляет 100 кВа.
ТРДНС-40000/35 74Т1 — трехфазный двухобмоточный трансформатор с расщепленной обмоткой НН, с принудительной циркуляцией воздуха в системе охлаждения, с РПН, для собственных нужд электростанций, номинальная мощность 40 MBА, класс напряжения 35 кВ, конструкция 1974 г., тропического исполнения, для наружной установки.
АТДЦНТ-125000/220/110-98У1 – это автотрансформатор, который имеет охлаждение масляного типа, который имеет две обмотки. Также вам необходимо помнить, что устройство имеет уникальную систему выброса газов с РПН. Первоначальная мощность устройства составляет 125 МВА. Также устройство имеет обмотку типа ВН и напряжение 110 кВ.


Если вы планируете использовать этот трансформатор, тогда можете учесть наши советы по его использованию:
- Диэлектрическая прочность всех соединений может составлять 12 МВ/м. Для эксплуатации в условиях производства нужно получить сопротивление больше 24 МВ/м.
- Для использования в бытовых условиях необходимо использовать только сухие трансформаторы.
- Если вам необходимы устройство для применения в производственных сферах, тогда вам может потребоваться модель СЭЩ.
- Если вы желаете ускорить охлаждение, тогда вам необходимо установить дополнительные гофрированные стенки.
- Если вы используете трансформатор, тогда необходимо регулярно измерять температуру масла с помощью гильзы.
- Если вы планируете купить трансформатор серии ТМГ постарайтесь изучить его паспорт.
Инструкция по использованию
Если вы планируете осуществлять работу с устройством, тогда необходимо изучить правила его использования. Также вам необходимо помнить, что устройство считается достаточно опасным. Если вы используете трансформатор ТМГ, тогда изучите рекомендации по использованию:
- Работу с устройством необходимо осуществлять только в удобной одежде.
- Нельзя осуществлять работу с устройством, которое имеет вмятины и трещины.
- Постарайтесь регулярно проверять КТП на количество масла в баке.
- Перед началом работы устройства проверьте его на работоспособность.
- Для хранения трансформатора, вам может потребоваться сухое помещение.
Обзор цен
Трансформатор ТМГ вы можете купить практически в любом городе. Цены на эти устройства считаются приемлемыми.


Трансформаторная подстанция может иметь большой вес. В таблице вы сможете найти приемлемые цены, которые смогут вас порадовать. Надеемся, информация будет полезной для вас.