На сегодняшний день трансформаторы считаются главными электрическими устройствами. Они используются не только на производстве, но и в быту. В этой статье вы найдете информацию про силовые трансформаторы. Силовой трансформатор – это электрическое устройство, которое передает энергию между своими контурами. Весь этот процесс происходит благодаря законам магнитной индукции.


Их применяют как приборы, которые могут повышать, или понижать напряжение. Эта уникальная способность может обеспечивать максимальную передачу тока.
Параметры силового трансформатора
Силовой трансформатор имеет номинальное напряжение. Оно может рассчитываться в зависимости от конструкции. В зависимости от конструкции он будет рассчитываться либо:
- Между фазой и землей.
- Между фазами.


Вот основные элементы, из которых состоит силовой трансформатор:
- Первичная обмотка (W1).
- Вторичная обмотка (W2).
- Стержень магнитоотвода.
- Ярмо магнитоотвода.


Силовой масляный трансформатор обычно состоит из двух обмоток и проволоки, которая содержит в себе изоляцию. Сердечник должен изготавливаться из железа.
Виды силовых трансформаторов


Силовой трансформатор в зависимости от области применения может иметь несколько видов:
- Силовое понижающее устройство. Его часто используют для понижения напряжения.
- Трехфазный и однофазный трансформатор. Достаточно часто их используют в трехфазной электрической системе. Вам предпочтительно будет применять три однофазных трансформатора. Они необходимо для того чтобы обеспечивать предприятие постоянным током.
- Электрический силовой трансформатор. Его используют для распределения нагрузки. Эти устройства применяют для защиты системы электроснабжения.
- Силовой автотрансформатор. Используется на тех предприятиях, где разница между высоким и низким напряжением не превышает 2%.
- Открытый трансформатор. Его используют для установки на улице. Он способен работать даже при минусовых температурах.
Силовой трансформатор и его принцип работы


Переменный ток должен пройти через обмотку и произвести постоянно меняющийся ток. Этот поток постоянно будет меняться по своей амплитуде и направлению. Согласно закону Фарадея ЭДС должно индуцироваться за одну секунду. Он имеет такой же принцип работы как и трансформатор Тесла. Это время считается оптимальным. Если цепь в последней обмотке будет закрыта, тогда через нее сможет пройти электрический ток.


Если силовой трансформатор использует переменный ток, тогда он будет окружать катушку. Но если рядом расположить еще одну катушку, тогда потокосцепление станет направленным.
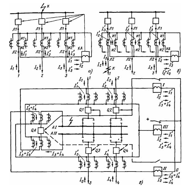
Ремонт и защита силового трансформатора тока
Отремонтировать силовой трансформатор достаточно сложно. Этот процесс отнимает не только много времени, но и денег. Выполнять этот процесс должен только специалист со стажем. Если в его конструкции будут неправильные соединения, то это может поставить вашу жизнь под угрозу. Существует немного заводов, которые могут выполнить его ремонт. Вот основные компании, которые могут взяться за эту работу:
- Siemens.
- СВЭЛ.
- ABB.


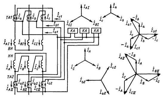
Дифференциальная защита должна обеспечиваться в силовом трансформаторе. Она считается более эффективной, чем релейная защита. Для того чтобы надежно защитить современные силовые трансформаторы можно использовать специальную программу Transformer Designer.
Дифференциальное реле должно сравнивать между собою мощность первичного и вторичного тока. Если в вашем трансформаторе образуется дисбаланс, то реле активизируется, и будет защищать реакторы. Вторичная обмотка должна быть подключена к текущей катушке реле. Защита трансформатора должна быть пропорциональна смещению и или отклонению коэффициента разности токов.


Обмотку трансформатора можно провести самостоятельно. В обмотке должен находиться четный слой обмотки. Провод должен быть выведен обратно через выходное отверстие. Между слоями обмотки необходимо устанавливать хлопковые полосы, которые будут использованы от перегревания. Следить за повышением температуры можно также с помощью специальной жидкости, которая будет пропитывать слой изоляции. Собирать силовой трансформатор можно только опытным электрикам. Многие изготовители трансформаторов заботятся о том, чтобы вы самостоятельно смогли определить причину поломки. Определить поломку можно с помощью релейной защиты.


Схемы соединения обмоток силовых трансформаторов
В первичной обмотке каждая фаза должна распределяться под углом в 120 градусов. Первичная обмотка должна магнитно быть связана с вторичной через нейтральные точки. Ток может иметь значительное количество нечетных составляющих. Если силовые трансформаторы соединены с каждой фазой, то они смогут возвращаться в нормальное положение. Благодаря этой схеме вы узнаете как сделать трансформатор своими руками.
Эта схема обмотки считается наиболее простой. Также иногда часто может искажаться уровень выходящего напряжения. Технология линейного соединения может использоваться крайне редко. На сегодняшний день выбор силовых трансформаторов значительно увеличился.