Асинхронные двигатели обладают многими преимуществами в работе. Это надёжность, большая мощность, хорошая производительность. Подключение электродвигателя звездой и треугольником обеспечивают его стабильную эксплуатацию.
В основе электромотора выделяют две основные части: крутящийся ротор и статичный статор. Оба имеют в структуре набор токопроводящих обмоток. Электрообмотки неподвижного элемента, расположены в пазах магнитного провода на расстоянии 120 градусов. Все окончания обмоток выводятся в электрораспределительный блок, там фиксируются. Контакты пронумерованы.
Подключения двигателей могут быть звездой, треугольником, а также всевозможные их переключения. Каждое соединение обладает своими преимуществами и недостатками. Двигатели, соединённые по схеме звезда, имеют плавную, мягкую работу, действие электродвигателя ограничено мощностью по сравнению с треугольником, так как её значение больше в полтора раза.
Объединение в одной общей точке: подключение звезда


Обмотки соединяются последовательно замкнутой ячейкой, образуют треугольное соединение. Ряды контактов с клеммами расположены параллельно по отношению друг к другу. Например, начало вывода 1 находится напротив конца 1. Питание сети подаётся на статорные обмотки, создавая вращения магнитного поля, приводящее к движению ротора. Крутящийся момент, возникающий после подключения трехфазного электродвигателя, является недостаточным для пуска. Увеличение вращающего элемента достигается при помощи использования дополнительного элемента. Например, трехфазного частотника, подключенного к асинхронному двигателю на рисунке ниже.


Чертеж подсоединения классического частотного преобразователя звездой
По данной схеме подсоединяются отечественные моторы 380 вольт.
Смешанный способ
Комбинированный тип подключения применим для электромоторов мощностью от 5 кВт. Схема звезда — треугольник используется при необходимости снизить пусковые токи агрегата. Принцип действия начинается со звезды, а после набора двигателем нужных оборотов, происходит автоматическое переключение на треугольник.


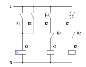
Схема пуска трёхфазного электродвигателя с помощью реле
Данная схема не подходит устройствам с перегрузками, так как возникает слабый крутящийся момент, что может привести к поломке.
Принцип работы


К началу обмоток проходит ток на три фазы. Он поступает через силовые контакты магнита первого элемента. Контакты третьего пускателя включают его, замыкают концы обмоток, которые соединяются звездой.
Затем включается реле времени первого пускателя, третий выключается, а второй включается. Контакты К2 замыкают, напряжение поступает на концы обмоток. Это и есть включение треугольником.
Различные производители изготавливают реле пуска, необходимое для запуска электродвигателя. Они отличаются внешне, по названию, но выполняют одинаковую функцию.


Некоторые виды моторов не предназначены для работы от бытовой сети. Поэтому выбирая прибор для дома, предпочтение следует отдать двигателям с короткозамкнутыми роторами.
По номинальному питанию отечественные электродвигатели делятся на два типа: мощностью 220 — 127 вольт и 380 — 220 вольт. Первый тип электромоторов небольшой мощности применяется нечасто. Вторые устройства имеют широкое распространение.
При монтаже электродвигателя любой мощности действует определенный принцип: устройства с низкой мощностью подключается по схеме треугольник, а с высокой соединяются звездой. Электропитание 220 поступает на сводку треугольником, напряжение 380 идёт на соединение звездой. Это обеспечит долгую и качественную работу механизма.
Рекомендованная схема для подключения двигателя значится в техническом документе. Значок △ означает соединение в этой же форме. Буква Y указывает на рекомендуемую схему подключения звездой. Характеристики многочисленных элементов обозначены цветами, в связи с их маленькими габаритами. По цвету читается, например, номинал, сопротивление. Если стоят оба знака, то соединение возможно переключением △ и Y. Когда стоит одна определенная маркировка, например, Y, то доступное подключение будет только по схеме звезда.


Схема △ даёт мощность на выходе до 70 процентов, значение пусковых токов доходит до максимальной величины. А это может испортить двигатель. Данная схема является единственным вариантом для работы от российских электросетей зарубежных асинхронных двигателей с мощностью 400 — 690 вольт.
Поэтому выбирать правильное соединение или переключение, необходимо учитывая особенности электрической сети, силовой мощности электродвигателя. В каждом случае следует ознакомиться с техническими характеристиками мотора и оборудования, для которого он предназначен.