Электродвигатели используются в подавляющем большинстве для приводных механизмов и самостоятельных агрегатов. Когда требуется изменение направления вращения его вала, для пуска применяют реверсивный пускатель, схема подключения которого является объектом изучения профессионалов и простых обывателей.
Как устроен и для чего нужен пускатель?


Любой магнитный пускатель состоит из следующих основных частей:
- Электромагнитная часть. Она состоит из катушки и разъединенных магнитопроводов – неподвижного сердечника и подвижного якоря,
- Блок главных контактов. Они нужны для замыкания/размыкания силовых мощных нагрузок. С учетом параметров пускателя, он может иметь до 5 пар контактов. Одна их половина расположена на траверсе якоря, а другая – на верхней части корпуса,
- Блокирующие контакты. Они используются при коммутации управляющих цепей схемы, например, когда включение/остановка происходит пусковыми кнопками. Происходит блокировка основных контактов, а значит, устраняется необходимость удерживания кнопки управления,
- Возвратный механизм. По сути, это просто пружина, которая при размыкании контактов возвращает якорь в исходное положение, обеспечивая необходимый зазор между парами.


Разница между прямым и реверсивным пускателями
Главное отличие нереверсивного и реверсивного пусковых устройств, состоит в схеме подключения. Также меняется комплектация. Контактор прямого типа является одиночным, тогда как реверсивный – блочным, состоящим из двух прямых, объединенных в одном корпусе. Визуальные отличия этих двух реле можно видеть на сравнении моделей ПМЛ-1100 (слева) и ПМЛ-1500 (справа):


При этом, должно соблюдаться одно крайне важное условие: реверсивное соединение пускателей должно полностью исключать возможность их одновременного срабатывания. Это неизбежно приведет к возникновению явления короткого замыкания.
Схема подключения реверсивного магнитного пускателя электродвигателей делится на два основных вида:
- Подключение к сети с напряжением 220 В,
- Запуск контактора на 380 В.
Далее рассмотрим подробнее каждый из вариантов, опираясь на уже упомянутые модели контакторов ПМЛ серии 1500.
Вид и функционирование реверсивной схемы на 220 В
На этой монтажной схеме можно видеть следующие основные элементы (обозначены цифрами):
- Блокирующие или блок-контакты,
- Катушки магнитных пускателей, рассчитанные на напряжение питания 220 В,
- Контакты тепловой или токовой защиты (релейные элементы),
- Силовые контакты пускателей.


Вид реверсивной схемы на 220 В
Кроме этого, буквенно-числовыми обозначениями выделяются:
- МП-1, МП-2 – магнитные пускатели. Их границы на схеме выделены штриховыми линиями,
- Стоп, Пуск – органы управления (сам блок выделен штриховой линией). Отдельно выделена лишь кнопка Стоп. Пусковые кнопки (прямой ход и реверс) обозначены, как две пары контактов, связанных с пускателями МП-1 и МП-2,
- М – электродвигатель.
Принцип функционирования
Как можно видеть, на силовые контакты пускателей подводятся три разноименные фазы от сети 380 В. На приведенной схеме обозначения нет никакого, но в других случаях можно встретить символы А, В, С или L1, L2, L3. Организовывается блочная связка путем прямой перемычки центральных фаз реле, а также диагональных перемычек боковых фаз (условно 1 фаза МП-1 соединяется с 3 фазой МП-2 и т.д).
После этого провода идут на электродвигатель М. На этом промежутке, в разрыв цепи подключается тепловое реле. Оно осуществляет контроль двух из трех фаз, чтобы при перегрузке отключить питание двигателя.
Блок управления с пусковыми кнопками подключается от одной из центральных фаз в разрыв теплового реле, и нулевого провода (заземления) от катушек пускателей ПМЛ. Защита от одновременного включения пускателей организовывается путем перекрестного соединения контактов кнопок пуска/реверса с блокирующими контактами противоположного контактора.
При включении с блока управления прямого хода, замыкаются контакты на первый пускатель, который запускает двигатель. Одновременно, контакты второго пускателя размыкаются, а на катушку не поступает должное напряжение.
Включение реверса происходит после остановки двигателя кнопкой Стоп с последующим нажатием обратного хода. Таким образом, мы имеем на катушках измененные местами боковые фазы, что приводит к вращению двигателя в обратную сторону. Блокирование первого пускателя происходит по аналогичному принципу.
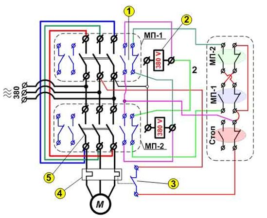
Вид и функционирование реверсивной схемы на 380 В
Здесь мы имеем, фактически, все те же элементы, что используются для ПМЛ на 220 В, но катушки пускателей рассчитаны на более высокое напряжение (имеют больше витков). Кроме того, отличием от предыдущей схемы является подключение блока управления не через одну, а через две фазы, не используя общий ноль.


Вид реверсивной схемы на 380 В
Где еще используются реверсивные пускатели?
Область применения двойных пусковых реле довольно широка. Она не ограничивается одними только электродвигателями. Необходимость изменения направления вращения или перемещения приводных механизмов может возникнуть также в других случаях.
К примеру, каждый человек имеет дома систему водоснабжения, отопления, где всегда есть место различной запорной арматуре. Для промышленных масштабов, при больших расходах, диаметрах трубопроводов, большой точности контроля расхода, обычными кранами не обойтись. Здесь используются задвижки электрической, а также механической системой управления рабочим органом. Вращение диска или перемещение задвижки происходит в разных направлениях, а значит, применение реверсивных схем пуска обосновано.
Не удаляясь далеко, можно найти реверсивные пускатели типа ПМЛ или другие в подъемной системе лифтов. Движение вверх-вниз происходит за счет изменения направления вращения главного барабана.
Изменение направления вращения двигателя, связанных с ним исполнительных механизмов – довольно востребованная процедура. При этом питание от трехфазной сети происходит через промежуточное коммутирующее реле – реверсивный магнитный пускатель типа ПМЛ 1500 или любой другой.