Трансформатор – это регулирующее устройство, которое достаточно часто используется для того, чтобы повысить эффективность многих устройств. 

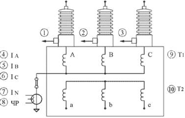
Принцип работы трансформатора тока
Измерительные трансформаторы имеют достаточно простой принцип работы. Его работа подчиняется закону про электромагнитную индукцию. Если разобраться более детально, то взаимная индукция будет отвечать за действие преобразования напряжения. В соответствии с этим законом Фарадей гласит: «скорость изменения потокосцепления будет пропорциональной наведенной ЭДС в проводнике».
Основы теории трансформатора
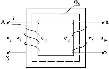
Представьте, что у вас есть трансформатор с одной обмоткой, которая соединяется с электрическим током. Переменный ток будет производить меняющийся поток, который окружает катушку. Определенная ее часть может соединяться в том случае, если переменный ток постоянно будет проходить через обмотку. Этот поток может постоянно меняться в своем направлении.
Следуя из закона Фарадея у нас должно быть ЭДС, которое будет производить индукцию раз в секунду. Если в последней обмотке цепь будет закрыта, тогда через нее пройдет ток. Этот принцип работы трансформатора считается простейшим. Тороидальный трансформатор имеет немного другой принцип работы.


Когда вы будете использовать движение переменного тока к электрической катушке, поток энергии будет ее окружать. Поток будет неравномерным, а его скорость может изменяться. Это понятие считается фундаментальным в работе трансформатора. Обмотка, которую он содержит, будет принимать электрическую мощность от источника. Она дает выходное напряжение благодаря взаимной индукции.
Конструктивные части трансформатора
На сегодняшний день устройство трансформатора включает в себя три основные части, к которым относят:
- Первичную обмотку. Когда подключается к источнику, она будет производить магнитный поток.
- Магнитный сердечник. Магнитный поток будет создан в замкнутую цепь.
- Вторичная обмотка. Ее необходимо наматывать на сердечник.


Это три основные части, из которых будет состоять силовой трансформатор.
Принцип работы трансформатора
Электрический силовой трансформатор является статистическим устройством. Принцип работы сварочного трансформатора заключается в том, что он будет преобразовывать энергию от схемы одного устройства к другому. Этот процесс проходит благодаря индукции между обмотками. Преобразование энергии будет происходить на основе изменения частоты. Он может работать в разных уровнях напряжения.


Работа однофазного трансформатора
Принцип работы однофазного трансформатора на сегодняшний день ничем не отличается от других устройств. Когда ток будет проходить по первичной обмотке, то будет создано магнитное поле. У него имеются мощные силовые линии. Первичную катушку они будут пронизывать полностью. Все линии являются замкнутыми между вокруг проводников катушек.


Закон про магнитную связь гласит о том, чем ближе расположены объекты, тем сильнее будет их связь. Вам следует знать, что в однофазном трансформаторе сила магнитного поля будет зависеть от напряжения. Именно поэтому скачки напряжения могут снизить силу МП. При соединении концов обмотки устройство начнет снабжаться электрическим током.
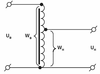
Принцип работы автотрансформатора
Здесь мы рассмотрим принцип работы автотрансформатора. Эти устройства можно отнести к трансформаторам, которые имеют специальное использование. Обмотки в этом устройстве связаны между собою не только магнитным полем, но и гальваническим.


При переключении обмоток можно получить как высокое, так и низкое напряжение. Переменное магнитное поле возникает в момент подключения переменного тока к сердечнику. Благодаря устройству сердечника небольшое напряжение способно создавать сильное МП. Автотрансформаторы довольно часто используют в областях, где существует незначительное изменение напряжения.
На сегодняшний день существуют также узкоспециализированные лабораторные трансформаторы. Они имеют другой принцип работы трансформатора.


Их обмотка должна выполняться из ферромагнитного материала. Она сводит резонансное движение к минимуму. К основным его отличиям относят:
- Кроме ферромагнетика используют медный провод.
- Он имеет низкие допустимые параметры.
- В нем работает система строчного ролика.
Эти трансформаторы также могут иметь недостатки, к которым относят:
- Все цепи нужно изолировать, так как они имеют сильную связь.
- Его нельзя использовать для защиты в мощных цепях.
- Ремонт стоит достаточно дорого.
Работа гидротрансформатора
Наверное, каждый водитель бульдозера знает принцип работы гидротрансформатора. На самом деле прибор является муфтой, которая вращается два раза. Устанавливать его необходимо между двигателем. Это необходимо чтобы получить вращательное движение. Механизм напоминает бублик, но у него достаточно сложная конструкция:
- По краям находятся специальные насосы. Передний прибор будет передавать жидкость на турбинное колесо.
- Переднее колесо необходимо соединить с главным валом. Благодаря этому он будет передавать жидкость по механизму.


Как видите, принцип работы трансформатора у всех устройств практически одинаковый. Существуют некоторые особенности, но все зависит от его модели.
Вам будет интересно: типы трансформаторов тока.