

ТТР – регулятор мощности напряжения, обеспечивает правильную функциональность электрических систем различного оборудования, контролирует и управляет включением и выключением приборов.
Принцип действия
Схема всех SSR практически одинаковая, даже если есть разница, она никак не влияет на принцип действия.


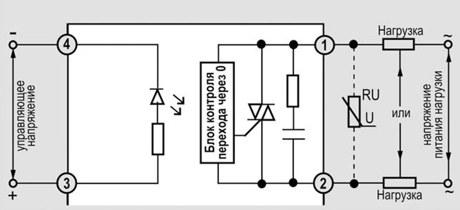
Схема SSR постоянного тока
Принцип действия механизма заключается в замыкании и размыкания контактов, которые передают напряжение. Выполняется это с помощью активатора, то есть твердотельного прибора.В зависимости от характера тока (переменного или постоянного) используется тип силового элемента (полупроводниковый прибор). Для постоянного тока используются транзисторы, для переменного – симисторы и тиристоры. Транзистор пропускает постоянный ток. Симистор проводит ток в двух направлениях, а тиристор может проводить напряжение и в 1ом и в 2х направлениях.


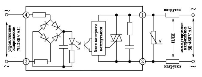
Схема твердотельного реле переменного тока


Схема цепей
На вход поступает электрический сигнал, дальше он подаётся на оптический светодиод. Оптическая развязка обеспечивает изоляцию между входной, промежуточной и выходной цепью. В работу включается триггерная цепь. Она управляет переключением выхода ТТР. Переключающая цепь передает напряжение на нагрузку, которая представлена транзистором, тиристором или симистором. Защитная цепь нужна для надежной работы ТТР при различных нагрузках.
Для предотвращения сгорания контактов устройства, рекомендуется установка предохранителя.
Виды устройства
SSR различаются по следующим свойствам.
- Характер тока в сети
- Однофазное реле способно коммутировать электрический ток от 10 до 120 А или от 100 до 500 А. Управление проводится через фазу с помощью аналогового сигнала (непрерывный по времени) и переменного резистора (элемент электрической цепи). Как правило, корпус однофазного SSR стандартный, модульный (завершенная конструкция).


Однофазное реле используется в бытовых приборах.
Рекомендация. Установка однофазного ТТР в электрическую систему обезопасит домашнюю технику от поломки.
- Трехфазное релекоммутирует электричество на трёх фазах сразу. Диапазон напряжения 10 – 120 А. Отдельными характеристиками обладает реверсивное трехфазное ТТР. Выделяется надёжной коммутацией цепей. Сфера использования – непостоянная работа двигателя.
Чтобы не происходило перенапряжение, используется варистор (полупроводниковый резистор)или предохранитель. Трёхфазное SSR имеет долгий срок использования в сравнении с однофазным устройством.
- Способ управления
- Коммутация постоянного тока. Применяется при постоянном напряжении от 3 до 32 вольт. Отличаются высокой надежностью работы. Поддержка температур от -30 до +70 соблюдается практически у всех моделей.
- Коммутация переменного тока. SSR переменного тока характеризуется маленьким соотношением электромагнитных помех, бесшумностью, экономным энергопотреблением и оперативной работой. Диапазон напряжения от 90 до 250 вольт.
- Реле, управляемое вручную. Оно позволяет управлять настройками.
Коммутация – процесс переключение и отключение напряжения. Происходит моментально при замыкании и размыкании цепей.
- Тип коммуникации
- Конструкция с фазовым регулятором мощности. Тип коммуникации – изменения на выходе нагрузки с управлением мощности, нагреванием (уровень освещения).
- Прибор, контролируемый нулевым регулятором мощности. Область использования –коммутация ёмкостных (конденсатных) резистивных (лампы и нагреватели) слабо индуктивных приборов. SSR с нулем необходимы для коммутации индуктивных (трансформаторы, двигатели) и резистивных нагрузок при необходимости мгновенного действия.
- По конструкции
- Устанавливаемые на одну рейку.
- Монтируемые на планки переходного типа.
Сферы применения


Твердотельное реле 12в
SSR не заменит полностью электромагнитный аналог, но во многих областях превосходит его в применении.
Сфера применения достаточно обширная. Его устанавливают в том оборудования, где нужно надежное и длительное использование системы.
- Для поддержания постоянной температуры в технологическом процессе.
- Регулятор мощности тока.
- При замене пyскателя реверсивного типа.
- Электрический двигатель.
- Датчик движения.
- Датчик освещения.
- Диммер (выключатель с регулировкой яркости лампы).
- Производственные станки.
- Регулятор температуры камеры.
Далеко не весь список использования.
Преимущества использования
Твердотельное реле применяется в различных электрических цепях- низковольтных, высоковольтных. От простейшего бытового прибора, которое имеется в каждом доме до крупного промышленного объекта.
- Компактный размер даёт возможность использования в ограниченных пространством условиях, и перемещать его.
- Более точный и стабильный регулятор температуры по сравнению с электромагнитным устройством.
- Скорость быстрого включения в работу без потребности долгого запуска.
- Экономия электроэнергии из-за использования полупроводников вместо электромагнитного разнесения.
- Надёжность работы. Реле может выполнить более миллиарда срабатываний.
- Долгий срок эксплуатации без необходимости прохождения постоянного технического обслуживания.
- Отсутствие источников искр.
- Включение в цепь без помех из-за герметичной конструкции.
- Бесшумность работы.
- Не происходит дребезжания благодаря быстрому старту.
- Широкая сфера применения. ТТР используется для регулятора работы многих устройств.
Как выбрать полупроводниковое устройство?
Покупая твердотельное реле нужно обратить внимание на его основные характеристики:
- Вид SSR.
- Материал корпуса.
- Тип включения – быстрый или постепенный.
- Производитель.
- Наличие крепежей.
- Уровень потребления электроэнергии.
- Размер ТТР.
- Необходимо учесть коммутируемый регулятор напряжение.
Важно! Реле должно иметь большой запас мощности напряжения для его надежного и продолжительного использования. Иначе при скачке напряжения произойдёт поломка.
Выполняя работы по проведению электрической системы помещения и устанавливая оборудование, вне зависимости от его масштабов, важно чтобы всё работало надежно и исправно. Осуществлению этого способствует полупроводниковое устройство. При верном подборе типа SSR и правильной установке, оно будет долговечно.