Выпрямительный диод это прибор проводящий ток только в одну сторону. В основе его конструкции один p-n переход и два вывода. Такой диод изменяет ток переменный на постоянный. Помимо этого, их повсеместно практикуют в электросхемах умножения напряжения, цепях, где отсутствуют жесткие требования к параметрам сигнала по времени и частоте.
Принцип работы
Принцип работы этого устройства основывается на особенностях p-n перехода. Возле переходов двух полупроводников расположен слой, в котором отсутствуют носители заряда. Это запирающий слой. Его сопротивление велико.
При воздействии на слой определенного внешнего переменного напряжения, толщина его становится меньше, а впоследствии и вообще исчезнет. Возрастающий при этом ток называют прямым. Он проходит от анода к катоду. Если внешнее переменное напряжение будет иметь другую полярность, то запирающий слой будет больше, сопротивление возрастет.
Разновидности устройств, их обозначение
По конструкции различают приборы двух видов: точечные и плоскостные. В промышленности наиболее распространены кремниевые (обозначение — Si) и германиевые (обозначение — Ge). У первых рабочая температура выше. Преимущество вторых — малое падение напряжения при прямом токе.
Принцип обозначений диодов – это буквенно-цифровой код:
- Первый элемент – обозначение материала из которого он выполнен,
- Второй определяет подкласс,
- Третий обозначает рабочие возможности,
- Четвертый является порядковым номером разработки,
- Пятый – обозначение разбраковки по параметрам.
Вольт-амперная характеристика
Вольт-амперную характеристику (ВАХ) выпрямительного диода можно представить графически. Из графика видно, что ВАХ устройства нелинейная.
В начальном квадранте Вольт-амперной характеристики ее прямая ветвь отражает наибольшую проводимость устройства, когда к нему приложена прямая разность потенциалов. Обратная ветвь (третий квадрант) ВАХ отражает ситуацию низкой проводимости. Это происходит при обратной разности потенциалов.
Реальные Вольт-амперные характеристики подвластны температуре. С повышением температуры прямая разность потенциалов уменьшается.


Из графика Вольт-амперной характеристики следует, что при низкой проводимости ток через устройство не проходит. Однако при определенной величине обратного напряжения происходит лавинный пробой.


ВАХ кремниевых устройств отличается от германиевых. ВАХ приведены в зависимости от различных температур окружающей среды. Обратный ток кремниевых приборов намного меньше аналогичного параметра германиевых. Из графиков ВАХ следует, что она возрастает с увеличением температуры.
Важнейшим свойством является резкая асимметрия ВАХ. При прямом смещении – высокая проводимость, при обратном – низкая. Именно это свойство используется в выпрямительных приборах.
Коэффициент выпрямления
Анализируя приборные характеристики, следует отметить: учитываются такие величины, как коэффициент выпрямления, сопротивление, емкость устройства. Это дифференциальные параметры.
Он отражает качество выпрямителя.


Его можно рассчитать: он будет равен отношению прямого тока прибора к обратному. Такой расчет приемлем для идеального устройства. Значение коэффициента выпрямления может достигать нескольких сотен тысяч. Чем он больше, тем лучше выпрямитель делает свою работу.
Основные параметры устройств
Какие же параметры характеризуют приборы? Основные параметры выпрямительных диодов:
- Наибольшее значение среднего прямого тока,
- Наибольшее допустимое значение обратного напряжения,
- Максимально допустимая частота разности потенциалов при заданном прямом токе.
Исходя из максимального значения прямого тока, выпрямительные диоды разделяют на:
- Приборы малой мощности. У них значение прямого тока до 300 мА,
- Выпрямительные диоды средней мощности. Диапазон изменения прямого тока от 300 мА до 10 А,
- Силовые (большой мощности). Значение более 10 А.
Существуют силовые устройства, зависящие от формы, материала, типа монтажа. Наиболее распространенные из них:
- Силовые приборы средней мощности. Их технические параметры позволяют работать с напряжением до 1,3 килоВольт,
- Силовые, большой мощности, могущие пропускать ток до 400 А. Это высоковольтные устройства. Существуют разные корпуса исполнения силовых диодов. Наиболее распространены штыревой и таблеточный вид.
Выпрямительные схемы
Схемы включения силовых устройств бывают различными. Для выпрямления сетевого напряжения они делятся на однофазные и многофазные, однополупериодные и двухполупериодные. Большинство из них однофазные. Ниже представлена конструкция такого однополупериодного выпрямителя и двух графиков напряжения на временной диаграмме.


Переменное напряжение U1 подается на вход (рис. а). Справа на графике оно представлено синусоидой. Состояние диода открытое. Через нагрузку Rн протекает ток. При отрицательном полупериоде диод закрыт. Поэтому к нагрузке подводится только положительная разность потенциалов. На рис. в отражена его временная зависимость. Эта разность потенциалов действует в течение одного полупериода. Отсюда происходит название схемы.
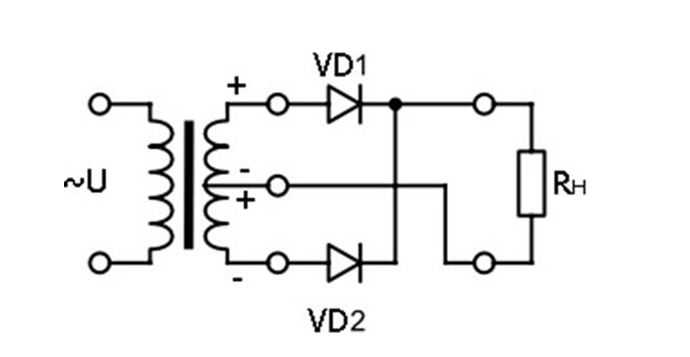
Самая простая двухполупериодная схема состоит из двух однополупериодных. Для такой конструкции выпрямления достаточно двух диодов и одного резистора.


Диоды пропускают только положительную волну переменного тока. Недостатком конструкции является то, что в полупериод переменная разность потенциалов снимается лишь с половины вторичной обмотки трансформатора.
Если в конструкции вместо двух диодов применить четыре коэффициент полезного действия повысится.
Выпрямители широко используются в различных сферах промышленности. Трехфазный прибор задействован в автомобильных генераторах. А применение изобретенного генератора переменного тока способствовало уменьшению размеров этого устройства. Помимо этого, увеличилась его надежность.
В высоковольтных устройствах широко применяют высоковольтные столбы, которые скомпонованы из диодов. Соединены они последовательно.
Импульсные приборы
Импульсным называют прибор, у которого время перехода из одного состояния в другое мало. Они применяются для работы в импульсных схемах. От своих выпрямительных аналогов такие приборы отличаются малыми емкостями p-n переходов.
Для приборов подобного класса, кроме параметров, указанных выше, следует отнести следующие:
- Максимальные импульсные прямые (обратные) напряжения, токи,
- Период установки прямого напряжения,
- Период восстановления обратного сопротивления прибора.
В быстродействующих импульсных схемах широко применяют диоды Шотки.
Импортные приборы
Отечественная промышленность производит достаточное количество приборов. Однако сегодня наиболее востребованы импортные. Они считаются более качественными.
Импортные устройства широко используются в схемах телевизоров и радиоприемников. Их также применяют для защиты различных приборов при неправильном подключении (неправильная полярность). Количество видов импортных диодов разнообразно. Полноценной альтернативной замены их на отечественные пока не существует.