Есть много разных типов электрических преобразователей тока. В бытовых условиях часто используются высоковольтные и низковольтные понижающие трансформаторы напряжения.


Мы представили подробную информацию об этом виде трансформаторных устройств. При необходимости вы также можете изучить фото и видео.
Понижающие трансформаторы и их принцип работы
Чтобы понизить напряжение поступающего тока используют понижающие автотрансформаторы, а, чтобы повысить – повышающие. Это абсолютно безопасные бытовые устройства, которые нужны, если у вас на производстве или дома высокое напряжение в основной сети. А также, чтобы сохранить работу домашних электроприборов. Если же у вас в сети 385 вольт, а домашняя автоматика работает на 220, то вам нужен однофазовый или трёхфазовый понижающий трансформатор. Если вам будет интересно, тогда можете прочесть про импульсный трансформатор.


Трехфазовые и двухфазовые устройства выполняют такие функции:
- Электрическую изоляцию. Это является обязательным условием, если у вас повышенный уровень опасности и поражения током.
- Распределение тока между потребителями.
- Могут использоваться для измерения ампер т вольт.
Обязательно нужно помнить, что для трехфазной сети нужно подбирать двух фазный преобразователь, а для двухфазной – однофазный.


Трансформатор тока ТОГ-110 кВ
Трансформатор 220 24 ватт может использоваться в сети 445 вольт (иногда 385). То есть коэффициент трансформации понижающего трансформатора не изменяется от условий использования. Но нужно помнить, что нельзя применять устройство в цепи с высокими максимальными показаниями, нежели указано в паспорте.


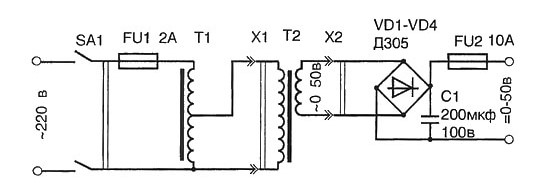
Понижающие силовые трансформаторы обычно состоят из двух или более катушек из изолированного провода. Они намотаны вокруг сердечника, который сделан из железа. Когда напряжение подается на первичную обмотку, то происходит намагничивание железного сердечника. А он в свою очередь индуцирует напряжение в другой катушке.


Этот показатель можно рассчитать у абсолютно всех трансформаторов. Но расчеты не всегда бывают правильными, поэтому всегда читайте характеристики, которые дает производитель.
Технические характеристики
Если вы планируете купить этот трансформатор, тогда вам следует изучить его технические характеристики:
- ОСМ. Они нужны для контроля систем сигнализации освещения. Монтировать их можно только в защищенных ящиках. Обязательно нужно учесть, что к ним не должна попадать пыль и влага. Эти трансформаторы нужно установить на din-рейку.
- ТСЗИ. Это понижающие трехфазовые трансформаторы. Вмонтированы они в защитном кожухе. Он защищает прибор от внешних агрессивных факторов.
- ОСО и ОСОВ. Это приборы сухого класса. Используют их при напряжении сети до 380 кВт.
- ТТП, ЯТП, ТС-180-2 ГОСТ 14254 отличается от всего небольшого напряжения, которое образуется на вторичной обмотке. Их используют в бытовых целях. Он очень удобный тем, что его можно установить своими руками.
Это характеристики этого трансформатора. Если их изучить детально, тогда можно понять, что устройство работает качественно. При необходимости можете прочесть про силовой трансформатор.
Виды трансформаторов
На данный момент можно встретить огромное количество понижающих трансформаторов. К основным видам можно отнести:
- Сухие
- Масляные
Сухие модели применяют в повседневном использовании для распределения поступающей энергии на клеммы галогеновых ламп. Их преимуществом является то, что они невелики в размерах и обладают высоким классом защиты. Такие трансформаторы часто используют на химических заводах или нефтеперерабатывающих производствах. Схема их работы нечем не отличается от стандартной.


Еще их применяют для бытовых и производственных цепей, для контроля работы галогенных ламп и других приборов.
Обзор цен
Купить ящик с понижающим трансформатором и прибор на 220, 12, 180 можно найти в специализированном магазине. При необходимости вы также можете обратиться на завод к производителю и найти этот товар у него. Ниже мы представили информацию, которая представлена на фото:


Это основные цены, которые представлены на трансформаторы. Если вы желаете получить импортные модели, тогда их стоимость будет значительно выше.
Как видите, на видео представлена основная информация о понижающих трансформаторах. Надеемся, что эта информация будет полезной.