Представьте себе, что у вас оказался трансформатор. Вы о нем совершенно ничего не знаете. Именно поэтому мы поместили эту статью, в которой расскажем, как подключить трансформатор. Подключение трансформатора – это достаточно сложный процесс, который выполнять должны только профессионалы. Здесь вы узнаете, какие операции необходимо проделать перед подключением трансформатора.


Существуют также и автотрансформаторы. Основной их особенностью считается то, что первичная и вторичная обмотка должна подключаться вместе. Их особенность заключается в том, что они преобразовывают величину тока. Обычно их используют для подключения контрольно-измерительных приборов.
Определяем трансформатор
Например, если у вас имеется трансформатор, но вы не знаете какой именно тогда вам следует знать, на что нужно обратить внимание? Для того чтобы определить что это за устройство необходимо посмотреть на количество выводов обмоток. Трехфазные устройства могут иметь 4 вывода, а однофазные трансформаторы два вывода. Если устройство вы желаете использовать в квартире, тогда вам подойдет однофазный трансформатор. Подключение трехфазного трансформатора осуществляется только на предприятиях.


Определяем обмотку


Подключение трансформатора напряжения


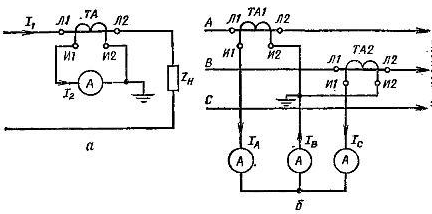
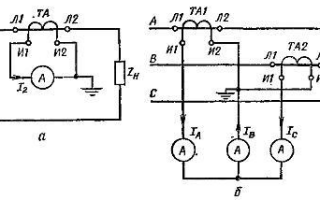
Подключение трансформатора тока
Как мы уже говорили в этой статье, трансформаторы тока должны применяться вместе с измерительными приборами. Тороидальный трансформатор подключается точно так. Подключение трансформатора предполагает в себе подключение первичной и вторичной обмотки. Первичную обмотку необходимо подключать в цепь, а вторичную обмотку к измерительным приборам. Помните, что вторичная обмотка всегда должна иметь низкую нагрузку.

Как видите, монтаж трансформатора – это несложно, и выполнить этот процесс можно самостоятельно.
К вашему вниманию: трансформатор для галогенных ламп.