На сегодняшний день многие люди используют тепловентиляторы. Обычно их используют для обогрева частного дома или гаража. Подключение тепловентилятора легко можно выполнить своими руками. Эти устройства способны обогревать помещение с помощью электричества или потока горячей воды.


Подключение тепловентилятора водяного является более экономичным. В нашей статье вы узнаете подробную информацию о том, как подключить тепловентилятор своими руками.
Подключение тепловентилятора
Если мощность вашего устройства не будет превышать 6 кВт, тогда выполнить подключение тепловентилятора можно к однофазной сети. Единственным моментом, который вам необходимо учесть является определение сечения кабеля. Схема подключения тепловентилятора к сети 220 Вольт выглядит следующим образом:


Если мощность будет превышать 6 кВт, тогда вам необходимо будет использовать трехфазную проводку. В этом случае подключить провода вам нужно в следующем виде:


Как видите, схема подключения тепловентилятора на 380 Вольт не имеет особых отличий от стандартного варианта. Вам также следует помнить, что нулевой проводник следует подсоединять не всегда. Обычно просмотреть выполнение этого момента можно в инструкции тепловентилятора. Если вам интересно можете прочесть про обогрев водопроводных труб кабелем.
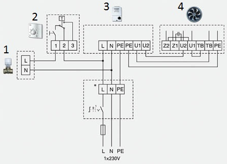
Подключение тепловентилятора с программируемой системой
Подключение тепловентилятора своими руками можно выполнить с помощью программируемой системы от отопления. Для этого вам потребуется добавить термостат, контролер и двухходовой клапан с сервоприводом. Если вы планируете поступить этим образом, тогда ваш проект будет выглядеть так:


- Двухходовой клапан с сервоприводом. Основной задачей этого элемента является перекрытие подачи теплоносителя по команде.
- Термостат. Это устройство будет использоваться для регулировки температуры в помещении.
- Пятиступенчатый регулятор вращения.
- Двигатель на вентиляторе.
Если вы решите подключить тепловентилятор с помощью этой схемы, тогда получите экономическую и безопасную систему. Схема подключения тепловентилятора с водяным источником тепла к системе отопления является последним способом подсоединения. Отопление дачи можно выполнить с помощью тепловентилятора.


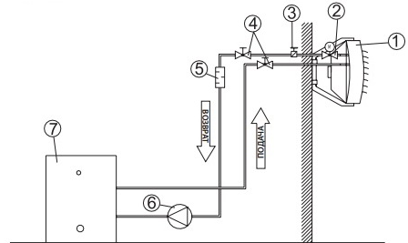
Как видите, схема является простой. Для того чтобы вы смогли в ней разобраться мы предоставили вашему вниманию пояснения к этому проекту:
- Здесь представлен водяной обогреватель.
- Двухходовой клапан.
- Клапан для спуска воздуха с системы в любой момент.
- Запорная арматура.
- Фильтр, который выполняет грубую очистку.
- Циркуляционный насос.
- Электрический котел.
Это были основные моменты установки тепловентилятора. Теперь вы можете просмотреть варианты монтажа тепловентилятора в интерьере.


Читайте: экономное отопление гаража электричеством.