Лампочки Ильича повсеместно установлены на территории нашей страны, ведь они имеют очень низкую стоимость. Однако у таких лампочек есть один существенный недостаток – они быстро выходят их строя. Это происходит из-за того, что после включения спираль нагревается слишком быстро, и именно она выходит из строя первая. Чтобы этого избежать и продлить срок службы лампы накаливания достаточно продумать плавное включения. Именно плавное включение ламп накаливания позволит существенно продлить срок службы. А как это сделать своими руками, мы и расскажем в этой статье.
Как сделать плавное включение ламп накаливания на 220 Вольт


Итак, схемы плавного включения ламп накаливания:
Тиристорная схема
Такую схему мы решили выделить потому, что она состоит из распространенных элементов. Их вы сможете найти у себе в гараже или у деда на чердаке. Схема выглядит следующим образом:

Изначально поговорим простыми словами о том, что дает такая схема: после подачи напряжения, ток начинает протекать через лампу накаливания, далее он опадает на выпрямительный мост. Затем, через резистор происходит зарядка самого электролита. Когда достигается необходимое напряжение, открывается порог тиристора. После его открытия ток начинает поступать к лампе накаливания. В итоге получается так, что образуется плавный электрический ток, который и разогревает вольфрамовую спираль. Также рекомендуем почитать статью: какие люстры установить в спальне.
Обратите внимание! Время разогрева лампы может отличаться, даже если вы используете одинаковую схему. Здесь основную роль играет емкость резистора и конденсатора, если она будет слишком большая, то разогрев может немного затянутся по времени.
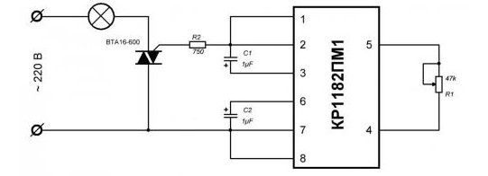
Специальная микросхема
Сейчас также придумана микросхема КР1185ПМ1. Она была разработана для того, что построить все возможные фазные регуляторы, поэтому вы сможете ее использовать для плавного включения лампа накаливания. Выглядит она следующим образом:

Данная схема подойдет только для тех случаев, когда вы собираетесь подключить лампы накаливания, которые обладают мощностью до 150 Ватт. Если вам необходимо подключить более мощные лампы Ильича, тогда нужно добавить в сеть силовой симистор. Его можно использовать даже в том случае, когда вы собираете подключить сразу несколько ламп. Чтобы его подключить используйте следующий рисунок:



Обратите внимание! Данная схема подходит не только для подключения ламп накаливания. Вы можете также сохранить жизнь галогенным лампам на 200 Вольт. Принцип подключения в этом случае никак не отличается.
Как сделать плавное включения ламп: видео
С помощью этого видео вы сможете своими глазами посмотреть, как осуществить такое подключение. Правда здесь немного иная схема – на полевых транзисторах. О таком способе подключения мы не рассказали специально, ведь здесь вы найдете исчерпывающую информацию для себя.