От правильного подключения электропроводки в доме зависит комфортное проживание всех его обитателей и бесперебойная работа бытовых приборов. Согласны? Чтобы обезопасить технику, находящуюся в доме, от последствий перенапряжения или короткого замыкания, а обитателей от опасностей, связанных с электрическим током, нужно включить в схему защитные аппараты.
При этом необходимо выполнить главное требование — подключение УЗО и автоматов в щитке должно быть сделано правильно. Не менее важно не ошибиться с выбором этих устройств. Но не волнуйтесь, мы расскажем вам о том, как все сделать правильно.
В этой статье речь пойдет о том, по каким параметрам выбирают УЗО. Кроме того, здесь вы найдете особенности, правила подключения автоматов и УЗО, а также множество полезных схем по подключению. А приведенные в материале видеоролики помогут реализовать все на практике даже без привлечения специалистов, если вы хоть немного разбираетесь в электрике.
Основные принципы подключения
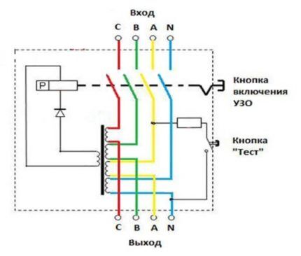
Для подключения УЗО в щитке нужны два проводника. По первому из них ток поступает к нагрузке, а по второму — уходит от потребителя по внешнему контуру.
Как только происходит утечка тока, появляется разность между его величинами на входе и выходе. Когда результат превосходит заданную величину, УЗО срабатывает в аварийном режиме, защищая тем самым всю квартирную линию.
На аппараты защитного отключения негативно воздействуют КЗ (короткое замыкание) и перепады напряжения, поэтому они сами нуждаются в прикрытии. Задачу решают путем включения в схему автоматов.


Ток, питающий электроприборы, поступает через одну из обмоток сердечника в одну сторону. Другую направленность он имеет во второй обмотке после прохождения через них.
Самостоятельное выполнение работ по монтажу устройств защиты предполагает использование схем. Как модульные УЗО, так и автоматы для них устанавливают в щитке.
Прежде чем начинать монтаж нужно решить следующие вопросы:
- сколько УЗО следует установить;
- где они должны находиться в схеме;
- как подключить, чтобы УЗО работало корректно.
Правило электромонтажа гласит, что все соединения в однофазной сети должны входить в подключаемые устройства сверху вниз.
Профессиональные электрики объясняют это тем, что если завести их снизу, то КПД у подавляющего большинства автоматов снизится на четверть. Кроме того, мастеру, работающему в щитовой, не придется дополнительно разбираться в схеме.
УЗО, рассчитанные для установки на отдельных линиях и обладающие малыми номиналами, в общую сеть монтировать нельзя. В случае несоблюдения этого правила возрастет как вероятность утечек, так и КЗ.
Выбор УЗО по главным параметрам
Все технические нюансы, связанные с выбором УЗО, знают только профессиональные монтажники. По этой причине специалисты должны делать подбор устройств еще при разработке проекта.
Критерий #1. Нюансы подбора аппарата
При выборе аппарата в качестве основного критерия выступает номинальный ток, проходящий через него в длительных режимах работы.


Величина In находится в диапазоне 6-125 А. Дифференциальный ток IΔn — вторая по важности характеристика. Это фиксированное значение, по достижении которого срабатывает УЗО. При его выборе из ряда: 10, 30, 100, 300, 500 мА, 1 А приоритет имеют требования безопасности.
Влияет на выбор и цель установки. Для обеспечения безопасной работы одного прибора ориентируются на значение номинального тока с небольшим запасом. Если защита нужна для дома в целом или для квартиры, все нагрузки суммируют.
Критерий #2. Существующие типы УЗО
Следует различать УЗО и по типам. Их всего два — электромеханические и электронные. Основной рабочий узел первого — магнитопровод с обмоткой. Его действие заключается в сравнении значений тока, уходящего в сеть и возвращающегося обратно.
Есть такая функция и в аппарате второго типа, только выполняет ее электронная плата. Работает она исключительно при наличии напряжения. Из-за этого электромеханический прибор защищает лучше.


В ситуации, когда потребитель случайно коснется к фазному проводу, а плата окажется обесточенной, в случае установки электронного УЗО человек попадет под напряжение. При этом защитное устройство не сработает, а электромеханическое в таких условиях останется работоспособным.
Тонкости выбора УЗО описаны в этом материале.
Установка УЗО и автоматов в щитке
Электрощит, в котором находятся устройства учета и распределения нагрузки, обычно является местом и для монтажа УЗО. Независимо от выбранной схемы, существуют правила, обязательные при подключении.
Главные правила подключения
Наряду с устройством автоматического отключения, на щиток устанавливают и автоматы. Все что нужно для этого — минимум инструментов и грамотная схема.
Стандартный набор должен состоять:
- из пакета отверток;
- пассатижей;
- бокорезов;
- тестера;
- торцевых ключей;
- кембрика.
Также для монтажа потребуется кабель ВВГ разных цветов, подобранный по сечению в соответствии с токами. Изоляционной трубкой ПВХ выполняют маркировку проводников.
Когда на DIN-колодке, имеющейся на щите, есть место, на него монтируют устройство защитного отключения. В противном случае устанавливают дополнительную.
Ключевой принцип монтажа следующий: соприкосновение нулевого проводника после УЗО ни с входным нулем, ни с заземлением недопустимо, поэтому его изолируют по аналогии с другими жилами.
Последовательно с УЗО необходимо включать защитный автомат. Это также одно из важнейших правил.
Когда защита всего жилья выполнена с применением одного УЗО, используют схему, включающую несколько автоматов.


В проект включают, кроме добавочных АВ, еще одну составляющую — изолятор нулевой шины. Монтируют его на корпус щитка или на din-рейку.
Вводят это дополнение из-за того, что при большом числе нулевых проводников, подключаемых к выходной клемме отключающего устройства, они просто не поместятся в одном зажиме. Изолированная нулевая шина — лучший выход из этой ситуации.
Иногда электрики, чтобы поместить весь пучок нулевых проводов в гнездо, принимают решение о подпиливании жил одножильного кабеля. В случае когда кабель многожильный несколько жилок удаляют.
Этот вариант лучше не использовать, поскольку из-за уменьшения сечения проводников увеличится сопротивление, следовательно, возрастет нагрев.
Как число монтажных отверстий, так и их диаметр может быть разным. Шина земли крепится непосредственно на корпус.
Нулевые провода в одной скрутке — дополнительное неудобство при выявлении повреждений на линии, а также когда нужно демонтировать один из кабелей. Здесь не обойтись без откручивания зажима, разматывания жгута, что обязательно спровоцирует появление трещин в жилах.
Нельзя монтировать синхронно и два провода в одно гнездо. Входы автоматов защиты связывают перемычками. В качестве последних при профессиональном монтаже применяют специальные стыковочные шины под названием «гребенка».
Особенности схем подключения
Выбор схемы предусматривает учет особенностей конкретной электрической сети. Среди многочисленных вариантов есть всего две схемы, использующиеся для подключения автоматов и УЗО в щитке, считающиеся основными.


В первом и самом простом способе, когда одно УЗО защищает всю электрическую сеть, кроются недостатки. Основной — трудности в выявлении конкретного места повреждения.
Второй — когда в функционировании УЗО произойдет какой-то сбой, из работы будет выведена вся система. Прибору защитного отключения отводят место сразу после счетчика.
Следующий способ предусматривает наличие таких аппаратов на каждой индивидуальной линии. При сбое на одной из них, все остальные будут в рабочем состоянии. Для реализации этой схемы требуется более габаритный щиток и большие затраты в финансовом плане.
Подробно о простой схеме
Рассмотрим подключение УЗО с автоматами на простой квартирный щит. На входе стоит автомат включения двухполюсный. К нему подключено двухполюсное УЗО, к которому два однополюсных автомата.
К выходу каждого из них подключена нагрузка. В принципе УЗО вводят в схему также, как и автоматический выключатель.


Фаза, подведенная к автомату включения, заходит на вход УЗО с выводом на автоматы. Нулевой выход с автомата идет на нулевую шину, а с нее — на вход в аппарат.
С его выхода нулевой проводник направляется уже на вторую нулевую шину. В наличии этой второй шины и заключается особый нюанс, не зная о котором невозможно добиться нормального функционирования схемы.
УЗО в процессе работы контролирует как входящее, так и выходящее напряжение — сколько зашло на входе, столько должно быть и на выходе.
Если равновесие нарушено и на выходе оно больше на величину уставки, на которую настроено УЗО, происходит его срабатывание и автоматическое отключение питания. За этот процесс как раз и отвечает нулевая шина.
В электрических схемах, где не предусмотрен монтаж аппарата защитного отключения, только один общий ноль.
В схемах с УЗО картина другая — здесь уже присутствует несколько таких нолей. При использовании одного устройства их два — общий и тот, относительно которого работает защитный аппарат.
Если подключено два УЗО — нулевых шин три. Обозначают их индексами: N1, N2, N3 и т.д. В целом нулей всегда на один больше, чем устройств защитного отключения. Один из них основной, а все остальные привязаны непосредственно к УЗО.


Если предполагается подключать через УЗО не все оборудование, то ноль подают с общей шины. Прибор защитного отключения в этом случае исключают из цепи.
При добавлении однополюсного автомата, работающего от УЗО, с выхода последнего фазу подают на вход автоматического выключателя. С выхода выключателя проводник подключают к одному контакту нагрузки. Ноль на нее подводят ко второму выводу. Поступает он с нулевой шины, созданной УЗО.
На щите имеется еще один элемент — шина защитного заземления. Корректная работа УЗО без нее невозможна.
Трехпроводная сеть есть только в новых домах. В ней обязательно присутствует нулевая фаза и заземление. В домах, построенных давно, имеется только фаза и ноль. В таких условиях УЗО также будет функционировать, но немного иначе, чем в трехфазной сети.
Как выход из положения заземление выводится третьим проводником на розетки, а затем на потолок к тому месту, где подключаются люстры. К выключателям «землю» не подают.
Вариант подключения автоматов без УЗО
Бывают случаи, когда один из автоматов нужно подключить, минуя устройство защитного отключения. Питание подключают не с выхода УЗО, а со входа в него, т.е. непосредственно с автомата. Фазу подают на вход, а с выхода ее подключают к левому выводу нагрузки.
Ноль берут с общей нулевой шины (N). Если случится повреждение на участке, подконтрольном УЗО, он будет выведен из схемы, а вторая нагрузка не будет обесточена.
УЗО в трехфазной сети
В сеть такого вида включают или специальное трехфазное УЗО с восемью контактами, или три однофазных.


Принцип подключения полностью идентичен. Монтируют его согласно схеме. Фазы А, В и С подают питание на нагрузки, рассчитанные на 380 В. Если рассматривать каждую фазу отдельно, то в тандеме с кабелем N (0), она обеспечивает серию однофазных потребителей 220 В.
Производители выпускают трехфазные аппараты защиты отключения, адаптированные к большим токам утечки. Они предохраняют электропроводку только от возгорания.


С целью защиты людей от воздействия электрического тока, на отходящих ветках монтируют однофазные двухполюсные УЗО, настроенные на ток утечки в диапазоне 10-30 мА. Для прикрытия перед каждым вставляют автомат. В схеме после УЗО нельзя соединять рабочий ноль и заземление.
УЗО и автоматы на трехфазном щите
Разберем подробно не совсем стандартную схему, собранную на трехфазном распределительном щитке.
На нем находятся:
- трехфазные вводные автоматические выключатели — 3 шт.;
- трехфазное устройство защитного отключения — 1 шт.;
- однофазные УЗО — 2 шт.;
- однополюсные однофазные автоматы — 4 шт.
С первого вводного автомата напряжение поступает на второй трехфазный автомат через верхние клеммы. Отсюда же одна фаза идет на первое однофазное УЗО, а вторая — на следующее.


Однофазные УЗО, установленные на щиток, являются двухполюсными, а автоматы — однополюсными. Для корректного функционирования защитного устройства необходимо, чтобы рабочие нули после него больше нигде не соединялись. Поэтому после каждого УЗО здесь установлена нулевая шина.
Когда автоматы не одно-, а двухполюсные, то отдельную нулевую шину устанавливать не придется. Если две нулевые шины объединить, будет происходить ложное срабатывание.
Каждое из однополюсных УЗО рассчитано на два автомата (1-3, 2-4). К нижним клеммам автоматов подключена нагрузка.
Общая шина заземления установлена отдельно. На вводный автомат заходят три фазы: L1, L2, L3 и рабочий нулевой провод.
Ноль подключен на общий ноль, а с него уходит на все УЗО. После он идет на нагрузку: с первого аппарата — на трехфазную, а со следующих однофазных — каждый на свою шину.


Хотя в этом распределительном щитке ввод трехфазный, разделение провода на PEN и PE не выполнено, т.к. ввод пятипроводный. На щит приходит три фазы, ноль и заземление.
Выводы и полезное видео по теме
Нюансы установки всех элементов на квартирном щитке:
Подробности монтажа УЗО:
УЗО и автоматы — оборудование технически сложное. Его целесообразно устанавливать в местах, где электрический ток может нести угрозу как безопасности людей, так и домашней технике.
Монтаж его предусматривает учет многих параметров, поэтому как расчет, так и установку лучше выполнят квалифицированные специалисты.
Если у вас есть опыт самостоятельного монтажа УЗО, пожалуйста, поделитесь им с нашими читателями. Расскажите, каким моментам стоит уделить особое внимание. Оставляйте свои комментарии, задавайте вопросы в блоке под статьей.