Трехфазные счетчики Меркурий выпускаются компанией «НПК «Инкотекс», Россия. Эти приборы учета отличаются высоким качеством, надежностью и красивым дизайном. В ассортименте – линейка из 120 наименований: от простых однофазных, до сложнейших многотарифных приборов с возможностью управления нагрузкой и выводом данных на периферийные устройства.
Современная реальность такова, что рынку необходимы приборы учета, имеющие возможность считать потребленную электроэнергию различными способами и в разное время. Если это промышленное предприятие, работающее круглосуточно, то установка многотарифного счетчика – это даже не вопрос предпочтения. Электроэнергия тарифицируется в зависимости от времени суток. Днем, в пиковые часы, стоимость электричества максимальная, ночью – минимальная. Если основное производство перенести на ночь, то можно существенно сэкономить.
Обычные приборы учета


Это трехфазный счетчик активной энергии. Устанавливается потребителям, использующих в трех- или четырех проводные сети переменного тока. Работает в режимах: автономный, режим совместной работы с автоматическими системами.
Технические данные
Прибор сконструирован таким образом, что исключает любую возможность неправильной работы: даже если попутать фазировку при подключении, отсчет электроэнергии будет производиться только на увеличение.
Система учета электромеханическая со светодиодным индикатором. Выход телеметрический. Это позволяет подключать его к системе автоматического контроля энергии – АСКУЭ.
Учет ведется в однотарифном режиме: независимо от времени суток показания счетчика одинаковые. Такая тарификация удобна в домашних условиях, если отопление газовое, угольное, или любое другое, кроме электрического.
Цена варьируется в пределах 1500 грн. для Украины, и 3100 р. для России.
Приборы для промышленных предприятий
Большие предприятия являются основными энергопотребителями. Так как большинство из них частные, собственники стремятся всеми силами экономить свои деньги. Для этой цели покупаются и устанавливаются многотарифные электросчетчики.
Измерение по нескольким зонам


Тарифицирует активную и реактивную составляющие потребляемой эл. энергии. Используется как с разделительными трансформаторами, так и как прибор прямого включения.
Технические особенности
Многотарифный электронный счетчик Меркурий, модель 230. В отличие от предыдущего описания, данный аппарат имеет возможность контроля эл. энергии с учетом суточных зон. На цифровом дисплее выводится информация о потребленной мощности, с разделением до 4 зон, суммарное значение по тарифам, точность подсчета – сотые доли кВт/ч и кВар/ч.
Также указывается напряжение по фазам, ток, частота. Что очень удобно – показывается текущее время. Необходимая информация для предприятий – значение максимумов, как утренних, так и вечерних. Это позволяет регулировать производственные процессы для достижения максимальной экономии эл. энергии.
Классы точности: 0,5S, 1.0. Можно подключать резервный источник питания 5,5…9В. Прибор Меркурий 230 АRT однонаправленный, независимо от подключения фаз, имеется самодиагностика с выводом результатов на ЖК-дисплей.
Приставка «ART» расшифровывается таким образом:
- A – имеет возможность тарифицировать активную энергию,
- R – тарификация реактивной энергии,
- T – имеет наличие внутреннего тарификатора.
Подробные технические характеристики эл. счетчика можно посмотреть в таблице ниже:


Разновидность этой модели – Меркурий 230АRT с индексом G. Характеристики те же, но имеется возможность передачи информации об энергопотреблении по каналу GSM DATA.
Цена (многотарифный, прямого или трансформаторного включения): 4400 – 16900 р.
Подключение
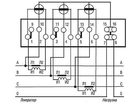
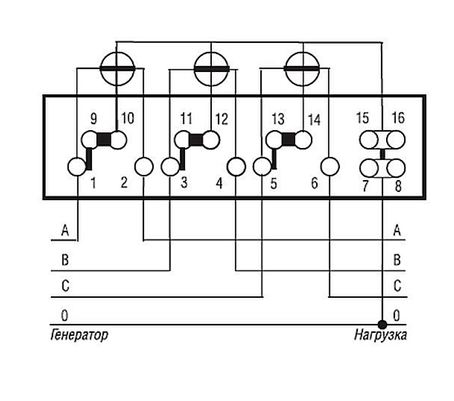
Существует несколько схем подключения счетчика 230 модели.
- Включение в схему при наличии трех тр-в тока:


- Включение от двух тр-в тока:


- Прямое включение:


Измерение по двум зонам
Многотарифными также часто называют приборы, тарифицирующие потребленную эл. энергию только по 2 зонам: ночь (23:00 – 7:00), день(7:00 – 23:00). Из-за этого такие аппараты называются двухтарифными. Они не учитывают полупиковые и пиковые нагрузки.


Имеет ЖК – дисплей, прямое включение, трехфазный, напряжение 380 В. Без каких-либо излишеств.
Возникает вопрос целесообразности установки таких счетчиков не на производстве, а дома. Все зависит от потребляемой нагрузки. Если потребление делится таким образом:
- Потребление: 20 кВт/ч. Из них:
- Днем – 16 кВт/ч,
- Ночью – 4 кВт/ч.
Окупаемость будет составлять более трех лет. Есть ли смысл покупать и устанавливать такой прибор, каждый ответит сам. Но, кажется, здравый смысл подсказывает, что эта инвестиция невыгодная. Теперь рассмотрим другой расчет:
- Потребление: 20 кВт/ч. Из них:
- Днем – 10 кВт/ч,
- Ночью – 10 кВт/ч.
В этом случае окупаемость составит 15 месяцев. Если в домашнем хозяйстве активно используются эл. приборы, то Меркурий 230 АRT 01 СLN 60А – то, что нужно. Цена: 5690 р.
Разновидность моделей


Двухтарифные модели – идеальное решение для малого бизнеса, в котором потребление эл. энергии выше, чем в жилых помещениях, но не настолько высоко, чтобы была необходимость в контроле пиковых нагрузок.
Особенность этого аппарата заключается в том, что на первый взгляд не видно никаких органов управления. Однако это только кажется. Здесь установлен инфракрасный интерфейс IRDA, и данная модель легко управляется и конфигурируется адаптером USB-IRDA.
Преимущество Меркурий 231 перед моделями с другим типом интерфейса в его универсальности. В нашем государстве законы очень непостоянны, тарифы меняются часто и неожиданно, и для перепрограммирования обычного прибора необходимо вызывать электриков, снимать – ставить пломбы, платить за это. В данной модели все эти неудобства отсутствуют, так как адаптер USB-IRDA дает возможность выполнять большинство этих операций без вскрытия клеммной коробки.
Технические особенности
Счетчик учитывает и передает данные о потребленной эл. энергии за сутки, месяц, год. Есть возможность разбить информацию по каждому тарифу в отдельности, либо по каждому месяцу. Указываются значения за предыдущий год. Прибор программируется индивидуально, причем минимальное значение – 1 минута в сутки.
В зависимости от конфигурации на дисплей выводится вся необходимая информация о питающей сети: углы сдвига фаз, активные и реактивные значения, ток, напряжение, коэффициент мощности. Через специальный выход прибор позволяет контролировать потребителя и даже отключать его от сети, если тот превысил лимит потребления эл. энергии.
Рабочие значения:
- Ток: 5 – 60 А,
- Напряжение: 230/400 В,
- Температура: 40… +55°С,
- Многотарифный (до 4 зон),
- Различные виды включения (через разделительный трансформатор или напрямую),
- Масса: 0,8 кг.
- Цена: по Украине – 1500 грн., по России – 3600 р.
Приборы учета энергии Меркурий 231 обладают рядом преимуществ перед конкурентами. Это видно из того, что «НПК «Инкотекс» экспортирует свою продукцию в соседние государства, где она пользуется спросом. Понятно, что цена будет варьироваться в зависимости от модели, исполнения и даже региона продаж, но в любом случае это один из лучших вариантов как для дома, так и для производства.