Электричество является одной из главных составляющих обеспечения повседневной жизни современного человека, но далеко не каждый обыватель имеет представление хотя бы о том, какой ток в розетке постоянный или переменный, не говоря уже о его других основных параметрах и свойствах, о которых надо знать.
Виды тока


- Постоянный ток, источниками которого, как правило, являются аккумуляторы, гальванические элементы (электрические батарейки различных видов), солнечные батареи, термопары. Он находит широкое применение в бортовых сетях автомобильного и воздушного транспорта, электронных схемах компьютеров, систем автоматики, радио и телеаппаратуры. Постоянным током запитаны контактные сети железных дорог, он обеспечивает работу энергетических установок ряда кораблей и судов.
- Переменный ток. Более 90% всей электроэнергии, которая генерируется для нужд человечества, вырабатывается генераторами переменного тока. Столь широкое распространение объясняется тем, что переменный ток, в отличие от постоянного, имеет способность передаваться на большие расстояния, а трансформаторные подстанции изменять величины его напряжения до необходимых значений, без ощутимых потерь.


Параметры домашней электрической сети
После выяснения того, что ток в розетке наших домов переменный, необходимо знать его главные параметры, которым относятся величина напряжения, и частота. Напряжение домашних электрических сетей составляет 220в. Весь мир пользуется электричеством с частотой 50 Герц, за исключением США, где этот параметр имеет значение 60 Гц.
По проводу фактических значений напряжения и частоты необходимо знать:
- Частота 50 Гц задается генерирующим устройством электростанции и всегда соответствует заданному значению.
- Напряжение в отдельно взятом доме или квартире может отличаться от номинального значения 220 В. На это могут оказывать влияние техническое состояние, величина и распределение нагрузки сети, питающей многоквартирный дом или жилой район, степень загруженности ее трансформаторной подстанции. Эти отклонения, могут быть весьма значительными и достигать 20-25 Вольт. В этом случае целесообразно подключение домашней электросети производить через стабилизатор напряжения.
Токовая нагрузка
Каждая электрическая розетка снабжена маркировкой, ограничивающей ее токовую нагрузку. К примеру, «5 А» означает, что сила тока, возникающая в результате работы подключенного потребителя, не должна превышать 5 Ампер. Это очень важно, ибо невыполнение данных условий может преждевременно вывести из строя розетку или же вызвать ее возгорание.


Маркировки на розетках
Электрические приборы, выпускаемые промышленностью, снабжены паспортом с указанием потребляемой мощности, или же номинальной токовой нагрузки. К наиболее энергоемким бытовым потребителям относятся СВЧ-печи, сплит системы, автоматизированные стиральные машины, электрические кухонные плиты и духовые шкафы, подключение данных приборов необходимо производить к розеткам, обеспечивающим работу с нагрузкой не менее 16 Ампер.
Как быть, если некоторые электротехнические изделия снабжены только данными о мощности, а сведений о потребляемых амперах изготовитель не указывает. Определить приблизительные величины токовых значений очень просто при помощи формулы электрической мощности
W = U x I
Где W – мощность, U – напряжение, I – сила тока.
Мощность (указана в паспорте) и напряжение сети известны, для того чтобы найти потребляемый ток, необходимо значение мощности в Ваттах (не в килоВаттах) разделить на величину напряжения 220в.
Как трехфазный ток преобразуется в однофазный
Осталось разобраться, почему мы пользуемся однофазным током с напряжением, величина которого составляет именно 220 Вольт. Для этого необходимо проследить путь, и трансформацию электроэнергии от электростанции до розетки в доме потребителя.
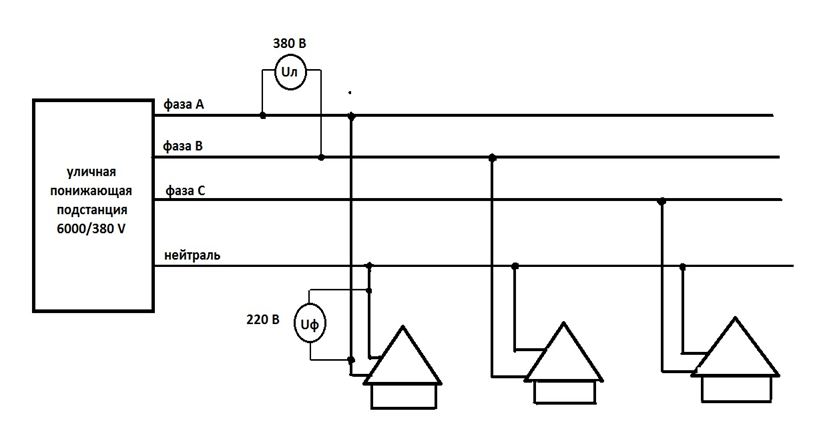
Мощные электростанции вырабатывают напряжение порядка 200 300 тысяч вольт, затем эта электроэнергия передается по высоковольтным ЛЭП на групповые распределительные подстанции, обслуживающие города, районы, крупные промышленные предприятия. Здесь происходит понижение напряжения, как правило, до 6000 Вольт и дальнейшая подача электричества на понижающие подстанции, трансформаторы которых снижают высокое напряжение до 380 Вольт.
Схема распределения электроэнергии между домами
Низковольтная сторона понижающей трансформаторной подстанции 6000/380 выдает три фазы и нейтральный или, как говорят, нулевой провод. Напряжение, замеренное между фазами, называется линейным (Uл), в данном случае она имеет величину 380 В. Подключение отдельно взятых потребителей производится от одной фаза и нейтрального провода, в результате чего в дом поступает переменный однофазный ток с фазным напряжением 220в.


Схема распределения электроэнергии между домами