На сегодняшний день импульсное реле набирает свою популярность. Это устройство способно управлять включением и выключением света. Благодаря этому оно легко может сократить ваши растраты на электроэнергию. Этим устройством на сегодняшний день является лестничный выключатель. Его работа была создана на основе бистабильного или импульсного реле. Если вы правильно настроите это устройство, тогда оно самостоятельно будет включать или выключать освещение сразу из нескольких мест.


Лестничный выключатель представляет собою обычный таймер. После настройки он будет срабатывать через определенные промежутки времени. Например, если вы будете подниматься по лестнице, то этот процесс не замет больше одной минуты. Именно поэтому вы легко можете установить таймер на одну минуту и после того, как вы поднимитесь по лестнице, этот выключатель самостоятельно выключит освещение.


Импульсное реле представляет собою устройство, которое будет управляться импульсами. Чтобы выключить это бистабильное реле вам потребуется подать импульс, который это сделает. Если вы сможете совместить это устройство с таймером, тогда легко сможете управлять источниками освещения в доме.
Кроме, таймера это устройство также обладает еще одним преимуществом, к которому относится возможность управления из различных точек. Для этого вам потребуется использовать двухпроводную линию. Этот процесс является простым, так как вам больше не потребуется устанавливать проходные выключатели в вашем доме. Проходной выключатель имеет подобную схему работы.
В нашей статье вы узнаете, как выполнить подключение импульсного реле своими руками.
Импульсное реле и его устройство
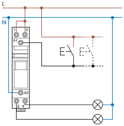
Для того чтобы вы могли детально разобраться и понять устройство импульсного реле мы решили рассмотреть его работу на импульсном реле с лестничным автоматом BIS-403. Корпус этого устройства считается качественным, но его собирают без единого болтика. Все детали, которые в нем установлены, соединяются с помощью термического клея. На коробке, которую предоставляет производитель можно увидеть, что это устройство должно устанавливаться в монтажной коробке.


Это импульсное реле в первую очередь состоит из контроллера ST 78522. Также в нем имеется и стабилизатор напряжения на 5 Вольт. Также в его конструкции вы сможете найти выпрямители и диоды.


Это устройство должно управлять прохождением тока через обычное реле. Благодаря контактам, которые установлены в этом реле, можно определить коммутируемую мощность. Это устройство способно выдерживать нагрузку в 2 ампера. Если ваша нагрузка составляет больше чем 0.5 кВт, тогда вам потребуется установка дополнительного контактора. Для более надежной защиты вам потребуется установить автоматический выключатель.


Установка и подключение импульсного реле
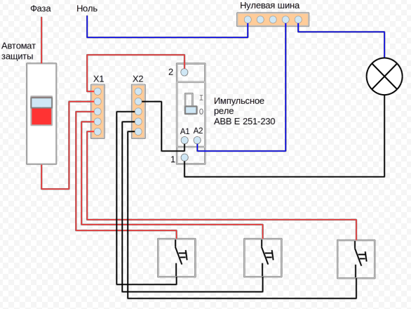
Теперь пришло время приступить к его подключению. Схема импульсного реле поможет вам выполнить процесс установки. Корпус этого устройства достаточно легко можно установить в установочную коробку. Для того чтобы импульсное реле подключить правильно вам необходимо будет дополнительно провести нулевой провод. Таким образом, у вас получиться 4 провода. К ним относятся:
- Входящая фаза.
- Нейтраль.
- Вывод на кнопки.
- Вывод на питание лампочек.


Лучше всего в установочную коробку вести кабель с лишней жилой. Если вы не смогли разобрать с этой схемой, тогда вот вам принципиальная схема подключения импульсного реле. На этой схеме вы сразу можете увидеть, что кнопки необходимо тоже подключать в фазе. Подключение диммера имеет подобную схему.


На этой схеме вы видите только две кнопки, но их количество может быть разным. Максимально к одному устройству вы можете подключить 10 кнопок. Если вы подключите больше, тогда у вас могут возникнуть ложные срабатывания. В этом случае вам потребуется располагать провода управления дальше от силовых проводов. Также вам необходимо будет установить дополнительный конденсатор.
Производители этого устройства утверждают, что установить его можно в распределительную коробку вместе с выключателем.
Управление и работа устройства
Этот выключатель обладает простотой в своем использовании. Также это устройство обладает рядом преимуществ, к которым относят возможность управления с различных точек дома. Импульсное реле на сегодняшний день является основным конкурентом проходных выключателей. Этот прибор обладает прекрасным таймером, который прекрасно работает. Для того чтобы включить это устройство в беспрерывный режим вам необходимо будет нажать и удерживать кнопку.


Вот временная схема, которая показывает работу импульсного реле. Как видите импульсное реле имеет простое управление.
Рекомендуем к прочтению: основные виды выключателей.